spanningsregelaars en accus

voor je vragen over voor- en achterlichten, schakelaars, remverlichting, kabelbomen, richtingaanwijzers, toeters en bellen

Postby irmin » Tue Dec 08, 2009 11:50 am

mano wrote:Toevallig heb ik hier nog een spanningsregelaar van een vespa pk50 liggen, dit voor een brommer met 12v accu en knipperlichten enzo. Kan ik hier iets mee?

Bedankt. begin het een beetje te begrijpen allemaal :)


je hebt met 12V lampjes te weinig licht en daarom wil je 'm op 6V afregelen, toch? dan heb je sowieso niks aan een 12V regelaar.
irmin
 
Posts: 471
Joined: Tue May 17, 2005 6:03 pm

Postby mano » Tue Dec 08, 2009 7:07 pm

juist zit wat in :oops:

dacht misschien in combinatie met een accu, maar ja dan word die accu niet snel genoeg opgeladen natuurlijk.

goed, ik ga aan de slag.... bedankt allemaal!
mano
 
Posts: 238
Joined: Thu Oct 25, 2007 9:30 am
Location: Delft

Postby Reinier » Wed Dec 09, 2009 1:22 am

als je een 6 volt spoel hebt, heb je sowieso niks aan een 12 volt accu, die ga je never nooit opladen. moet je een 6 volt batterij hebben, 6 volt verlichting etc.

kan zijn dat ik nu de bekende weg vertel, maar toch
-Reinier-
Reinier
 
Posts: 246
Joined: Sun Sep 14, 2008 12:16 pm
Location: Zeist

Postby irmin » Wed Dec 09, 2009 11:22 am

Komt de ontsteking oorspronkelijk van een brommer met een accu?
Vaak is het zo dat de accu niet alleen als een soort grap erop zit, maar dienst doet als een soort van buffer/spanningsregelaar tegen spanningspieken.
De accu er zomaar tussenuit rukken kan leiden tot sneller doorbrandende lampjes.
irmin
 
Posts: 471
Joined: Tue May 17, 2005 6:03 pm

Postby Xenomobile » Wed Dec 09, 2009 4:14 pm

Mano!!!

Koop een 6 volts spanningsregelaar bij Fred motoren op het stieltjesplein te Rotterdam.
Een tweepins blokje is slechts een diode die de + doorlaat en de - niet, da's leuk als je een accu wilt opladen (beter koop je dan een diodebrug trouwens, dan zet je de - ook om in + (lomp gezegd)), maar nu niet, een 12 v accu heeft minimaal 13,2 volt nodig om op te laden en dat ga jij niet vaak leveren....
Je zoekt dus: een 6 volts spanningsregelaar!!! meer niet.
Cliquo zwemt in die regelaars, geschikt voor minarelli 6 Volt....
Maar Fred is dichterbij en die heeft hele mooie moderne, zit er meteen een aansluitschema bij....
Maar de meeste alarminstallaties werken op 12 volt...... Voor als je bang bent dat'ie nog es....
Dit is mijn idee... Al het bovenstaande is overigens ook gewoon waar!

Ciao!
Xenomobile (?<pi>),
Wout Rockx.
User avatar
Xenomobile
 
Posts: 314
Joined: Mon Feb 21, 2005 12:17 am
Location: rotterdam

diodespanningsregelgelijkricht(hersen)-spoelenaccuschemaenz.

Postby 10.000 » Wed Dec 09, 2009 7:30 pm

Hey gelijkrichters,
Bedankt voor de heldere uitleg hierboven, alles gevolgd en ga nu ook eindelijk eens een accu door m'n blok laten opladen - kijken of het lukt na deze uitleg, THANKS!
10.000
 
Posts: 49
Joined: Wed Feb 23, 2005 9:13 pm
Location: Rotterdam

Postby mano » Wed Dec 09, 2009 10:37 pm

Xenomobile wrote:Mano!!!

Koop een 6 volts spanningsregelaar bij Fred motoren op het stieltjesplein te Rotterdam.
Een tweepins blokje is slechts een diode die de + doorlaat en de - niet, da's leuk als je een accu wilt opladen (beter koop je dan een diodebrug trouwens, dan zet je de - ook om in + (lomp gezegd)), maar nu niet, een 12 v accu heeft minimaal 13,2 volt nodig om op te laden en dat ga jij niet vaak leveren....
Je zoekt dus: een 6 volts spanningsregelaar!!! meer niet.
Cliquo zwemt in die regelaars, geschikt voor minarelli 6 Volt....
Maar Fred is dichterbij en die heeft hele mooie moderne, zit er meteen een aansluitschema bij....
Maar de meeste alarminstallaties werken op 12 volt...... Voor als je bang bent dat'ie nog es....
Dit is mijn idee... Al het bovenstaande is overigens ook gewoon waar!

Ciao!


zo wout het duurde even maar goed beter laat dan nooit :wink:
nee geintje.

ja ik snap nu helemaal hoe het werkt en inderdaad dat mijn standaard ontsteking niet genoeg gaat leveren om bij te laden enzo.
Snap nu wat ik nodig heb en wat ik wil. inderdaad een 6 volts (3 pins) unit. had al even gecheckt in delft maar hadden ze hier niet bij de brommerwinkels. zag online al voor 12,50, die zaak bij jou om de hoek voor het dubbele.
maar ja zie een hoop van die dingen en weet je dus niet welke je moet hebben, wat het verschil allemaal is. zo ook op de site van je vrienden van freds motoren. daar staan er 5 verschillende met allemaal andere prijsklassen...
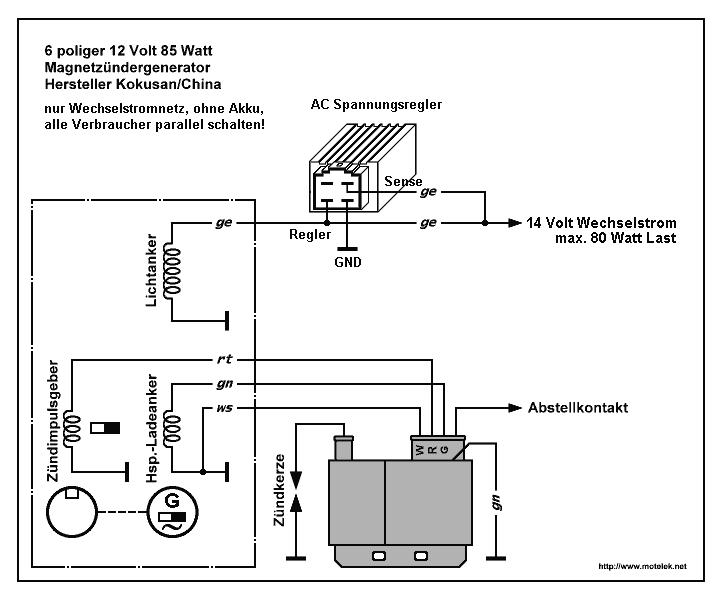
had ook eentje gezien die bij kokusan ontstekingen zit voor 17,50, maar op dat aansluitschema lijkt het alsof dat ding niks doet voor de verlichting (doet alleen wat voor de accu) want de lampen zijn gewoon direct aangesloten langs de regelaar heen.... :roll:

alarm, ja moest wel meteen aan je bakkie van vroeger denken. haha
maar hou het eerst maar even bij een acculoos brommertje....
Last edited by mano on Thu Dec 10, 2009 3:11 pm, edited 1 time in total.
mano
 
Posts: 238
Joined: Thu Oct 25, 2007 9:30 am
Location: Delft

Postby Reinier » Thu Dec 10, 2009 1:01 pm

Even een Leek die spreekt:

Volgens mij zitten er sowieso geen lampen verwerkt in dat aansluitschema...
Lichtanker is niet de lampjes, maar je lichtdraad uit je motorblok.
en alles wat binnen dat kader staat is sowieso in je motorblok.

het laat alleen zien hoe je je gelijkrichter moet aansluiten en ik vermoed dat de pin linksboven dan gewoon een (12V in dit geval) DC + draad is, waarmee je bv je accu kan opladen die dan als een soort buffer dient.

nog even ter verduidelijking:
met een 6 volt systeem moet je natuurlijk 6 volt spanningsregelaar hebben en een 6 volt accu, 6 volt lampjes etc.
-Reinier-
Reinier
 
Posts: 246
Joined: Sun Sep 14, 2008 12:16 pm
Location: Zeist

Postby mano » Thu Dec 10, 2009 3:10 pm

Hoi Reinier,

ja snap dat een 6volt regelaar op een 6 volts lichtspoel moet omdat deze niet echt vaak meer als 12v zal leveren. Deze kokusan dingen hebben ze in 6 en 12v. Hier zou ik dan natuurlijk de 6v nemen. :D

In het aansluitschema moet volgens mij de lampjes aan de 14 volt wechelstrom. Deze zelfde constructie heb ik ook op andere aansluitschemas gezien. zo ook deze.
Maar ja dan doet die 'regelaar' dus niks lijkt maar, heeft het aleen zin als je een accu gebruikt.

Maar goed om dus te zorgen dat ik niet het verkeerde ding koop (ze lijken namelijk akllemaal een beetje op elkaar alleen zijn ze blijkbaar dus niet), ga ik wel even bij fred langs of zo'n 3 pins ding halen.
mano
 
Posts: 238
Joined: Thu Oct 25, 2007 9:30 am
Location: Delft

Postby irmin » Thu Dec 10, 2009 6:06 pm

mano wrote:In het aansluitschema moet volgens mij de lampjes aan de 14 volt wechelstrom. Deze zelfde constructie heb ik ook op andere aansluitschemas gezien. zo ook deze.
Maar ja dan doet die 'regelaar' dus niks lijkt maar, heeft het aleen zin als je een accu gebruikt.



Jawel, de 4-pinsregelaar werkt ook zonder accu.

In het schema op het plaatje staat "verbruikers" (geel). Dat is je verlichting en dat is wisselspanning. Deze regelaar plaats je parallel aan het lichtcircuit en niet in serie. Dat lijkt raar, maar het werkt: de spanning naar je verlichting wordt keurig 12V (of 6V bij de 6V variant). Ook als je geen accu aansluit (dus de pin linksboven leeg laat).
irmin
 
Posts: 471
Joined: Tue May 17, 2005 6:03 pm

PreviousNext

Return to verlichting en bedrading

Who is online

Users browsing this forum: No registered users and 1 guest

cron